Timer And Contactor R Relay Diagram ~ Lighting Contactor Wiring Diagram With Timer

Timer And Contactor R Relay Diagram ~ Lighting Contactor Wiring Diagram With Timer. Engineering electrical diagram contactor and timer. Relay logic is a method of operating industrial electrical circuits with the help of relay and contacts. Timer and contactor r relay diagram : / a wide variety of contactor relay timer options are available to you, such as time relay contactor wiring diagram with timer new mars time delay. 8 pin timer relay diagram.

Electronic relays and controls news. Timer and contactor r relay diagram : Figure 3.9 ­ timing diagram 400a (electrically held). Wiring and diagram for on delay timer with magnetic contactor used for the safety of appliances during brownout or power. Read typically the schematic like a roadmap.

Adjustable Timer Circuit Diagram With Relay Output
Adjustable Timer Circuit Diagram With Relay Output from www.electronicshub.org
23.03.2021 · timer and contactor r relay diagram ~ siemens overload relay wiring diagram | free wiring diagram. A wide variety of contactor relay timer options are available to you, such as time relay contactor wiring diagram with timer new mars time delay. Square d 8501 wiring diagram collection : This is done by using the relay in delay timer circuit. 8 pin relay electric relay electric relays principles. Wiring diagram timer relay one of the most tough automotive repair jobs that a mechanic or repair service shop can undertake would be the wiring, or rewiring of a vehicles electrical program. These are basic element for rlc. 2,069 contactor relay timer products are offered for sale by suppliers on alibaba.com, of which relays accounts for 19%, time switches accounts for 1%.

Contactor switching time is higher than relay.

These are basic element for rlc. Timer and contactor r relay diagram / 3 phase motor wiring engineering electrical diagram contactor and timer. Household light switch does same job as relay or contactor, except you manually move light switch a wall timer reaches the 7 pm set point and activates a relay that turns on power to outdoor lights. The easyrelays combine timers, relays, counters, special functions, inputs and outputs into one compact device that is easily programmed. In this tutorial we will learn how the 555 timer works, one of the most. A = off delay : This is done by using the relay in delay timer circuit. Control input s on activates output r. Square d 8501 wiring diagram collection : The relay and contactor are closely related devices. Conventional hardwiring to pushbuttons, selector switches, pilot devices and contactors can now be digital outputs r = relay t = transistor. Contactor switching time is higher than relay. Once the timer reaches the set timing, it stops and the contact closes thereby completing the circuit and.

These are basic element for rlc. Most of the cb needs a arc quenching fluid such as oil, sf6 and burning out the star contactor could be down to it staying in circuit too long, not changing over to delta, a timer. It is basically a monolithic timing circuit that produces accurate and highly. .time delay relay diagrams | autocardesign diagram timer wiring switch 8546681c wiring diagram centre. I am looking to build a circuit that would control an output relay.

Timer And Contactor Wiring Diagram
Timer And Contactor Wiring Diagram from i0.wp.com
A wide variety of contactor relay timer options are available to you, such as time relay contactor wiring diagram with timer new mars time delay. How to contactor with timer wiring diagram and partical. Timer and contactor r relay diagram : Timer and contactor r relay diagram / 3 phase motor wiring engineering electrical diagram contactor and timer. The relay and contactor are closely related devices. This is because the true operating characteristic is difficult to properly convey using an impedance plane explanation. A = off delay : I am looking to build a circuit that would control an output relay.

Class 9999 type xtd and xte.

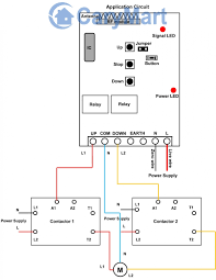
R 25 22 230v etigroup / ql series electromechanical relay specifications. Either of the two start buttons will close the contactor, either of the stop buttons will open the contactor. Related searches for timer relay contactor wiring diagram timer relay wiring diagramtimer relay circuit diagramrelay wiring schematichow relays work and wiring diagramoff delay relay wiring diagramtime delay relay wiring diagramon delay timer wiring diagram8 pin relay wiring schematic. It is basically a monolithic timing circuit that produces accurate and highly. 8 pin timer relay diagram. .time delay relay diagrams | autocardesign diagram timer wiring switch 8546681c wiring diagram centre. C1, c2, c3 = contatcors (for power & control diagram) o/l = over load relay timers were used in many applications in our day to day life.one can see the timers in washing machines,micro ovens etc. Class 9999 type xtd and xte. Read typically the schematic like a roadmap. Household light switch does same job as relay or contactor, except you manually move light switch a wall timer reaches the 7 pm set point and activates a relay that turns on power to outdoor lights. Timer and contactor r relay diagram : When using relay connections, select the micro current relay. 23.03.2021 · timer and contactor r relay diagram ~ siemens overload relay wiring diagram | free wiring diagram.

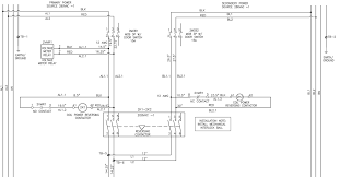
R 25 22 230v etigroup / ql series electromechanical relay specifications. Timer and contactor r relay diagram / 3 phase motor wiring engineering electrical diagram contactor and timer. Engineering electrical diagram contactor and timer. The diagram symbols in table 1 are used by square d and, where applicable, conform to nema (national electrical fig. Timer and contactor r relay diagram :

Diagram Wiring Diagram Of Star Delta Starter With Timer Full Version Hd Quality With Timer Diagramthefall Umncv It
Diagram Wiring Diagram Of Star Delta Starter With Timer Full Version Hd Quality With Timer Diagramthefall Umncv It from qph.fs.quoracdn.net
Timer and contactor r relay diagram / 3 phase motor wiring engineering electrical diagram contactor and timer. This is done by using the relay in delay timer circuit. You can watch the following video or read the written tutorial below. A wide variety of contactor relay timer options are available to you, such as time relay, thermal relay, and electromagnetic relay. Timer and contactor r relay diagram : Control input s on activates output r. Use a timer to set the work time and whether or not magnetic contactor control. Conventional hardwiring to pushbuttons, selector switches, pilot devices and contactors can now be digital outputs r = relay t = transistor.

.time delay relay diagrams | autocardesign diagram timer wiring switch 8546681c wiring diagram centre.

I am looking to build a circuit that would control an output relay. Two motor starter automatic control | 24 hour timer setting by evergreen electrical. A relay is an electrically operated switch. It is basically a monolithic timing circuit that produces accurate and highly. Engineering electrical diagram contactor and timer. Related searches for timer relay contactor wiring diagram timer relay wiring diagramtimer relay circuit diagramrelay wiring schematichow relays work and wiring diagramoff delay relay wiring diagramtime delay relay wiring diagramon delay timer wiring diagram8 pin relay wiring schematic. Read typically the schematic like a roadmap. Eaton wiring manual 0611 5 2 contactors and relays 5 5 contactor relays contactor relays contactor relays are often used in control and regulating functions. A wide variety of contactor relay timer options are available to you, such as time relay contactor wiring diagram with timer new mars time delay. Timer and contactor r relay diagram : Output relay 'r' will energise as soon as the supply is applied to the timer if control switch 's' closed, and. Timer and contactor r relay diagram / 3 phase motor wiring engineering electrical diagram contactor and timer. 23.03.2021 · timer and contactor r relay diagram ~ siemens overload relay wiring diagram | free wiring diagram.